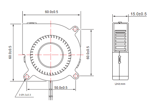
B6015 --> 60x15mm
上一个:B5015 --> 50x15mm 下一个:B7012 --> 70x12mm
详情介绍
产品特点:

轴承类型:含油轴承,双滚珠轴承,液压轴承

(Bearing type:Sleeve,2-Ball,Hydraulic)

材料(Material):

框叶(Frame & Impeler):PBT

引线(Lead wire):

UL2468 AWG #26 or equivalent 红色线正级 Red Wire Positive (+) 黑色线负级 Black Wire Negative (-)

可选择增加风扇功能(Functions are optional)

重量(Weight):35g

尺寸图:
风压&风量曲线图:
产品参数 :
东莞市万航电子科技有限公司 版权所有