B3510
上一个:A17251-2 下一个:B4008
详情介绍
产品特点:

轴承类型:含油轴承,双滚珠轴承

(Bearing type:Sleeve,2-Ball)

材料(Material):

框叶(Frame & Impeler):PBT

引线(Lead wire):

UL1571 AWG #28 or equivalent 红色线正级 Red Wire Positive (+) 黑色线负级 Black Wire Negative (-)

可选择增加风扇功能(Functions are optional)

重量(Weight):10g

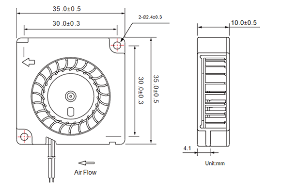
尺寸图:
风压&风量曲线图:
产品参数 :
东莞市万航电子科技有限公司 版权所有